Packaged Power Station (PPS)
https://www.pdvpower.com/pps-p....ackaged-power-statio
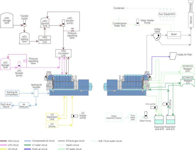
PPS (mobile HFO power station) is a modularized, mobile biomass power plant developed by PDV. The product is a complete solution that is highly integrated and commercializes mobile electric power plant EPC engineering.
All equipment, pipelines, cables and structures are manufactured in our factory and the load simulation test can be achieved in our facility once assembled into a complete mobile power plant. The on-site assembly can be completed within a few weeks, which greatly reduces the cost and avoids the risks of on-site engineering, shortening the overall turnkey HFO power projects period, there by significantly reducing the cost per kilowatt.
Packaged Power Station (PPS) Advantage
PPS has highly intelligent local control system, remote data diagnosis center and power station APP which can truly realize unmanned operation, reducing labor cost and improving operation reliability.
Packaged Power Station (PPS) Advantage
Gensets can be freely repaired inthe container.
Packaged Power Station (PPS) Advantage
All designed with standard containers reducing logistical
Packaged Power Station (PPS) Advantage
Improved Ventilation and heat dissipation conditions.
Packaged Power Station (PPS) Advantage
Maximum Genset capacity can go up to 4500MW, a great improvement compared to the traditional containerized power plants with capacities no greater than 1 700kW.
Packaged Power Station (PPS) Advantage
On-site works have been significantly reduced, with the shortest installation period of only seven days.
Packaged Power Station (PPS) Advantage
The on-site fuel storage tank engineering previously considered as a difficulty will now adopt containerized fuel tanks. The containerized tanks will be produced in the factory and assembled on-site.
For more information about mobile HFO power plant technology and fuel power station, please feel free to contact us!